Weedeater Parts
Welcome to the Weedeater Featherlite parts catalogue. On this page you will find every Weedeater model and a link to the exploded parts diagram and catalogue. We have attempted to provide every product including the older Weed eater models. All models including gas and electric trimmers are provided below. Just have a browse and find your particular trimmer model and click on the link to find that specific model’s parts diagram and catalogue. You will also have the opportunity to check the cost of replacement parts and decided if you want to purchase a replacement Weed eater part. Do not forget to check out our How To Guide if you need help replacing the part for your particular model.
Accessories
- Trimmer Line
- Professional Grade Trimmer Line
- Alternatives To Trimmer Line
- Carburetor Adjustment Tool
Most Popular Parts
- Large Gas Lines
- Small Gas Lines
- Gas Filter / Pickup
- Trigger
- Air Filter
- Primer Bulb
- Replacement Trimmer Head
- Carburetor Repair Kits
Gas Trimmers
W25 Series
Weed Eater Original Series
- 31WG
- 650
- 657
- 670
- 1400
- 1400T
- 1500
- 1600
- 1600T
- 1700
- 1740
- 1900
- 2215
- 2610
- 2615
- 2620
- 4500
- 5000
- 5500
- 6000
- 6010
- 6510
FL Series
FX Series
BC Series
SST Series
Electric Trimmers
Weed Eater Original Series
- 100
- 108
- 118
- 300
- 400
- 407
- 409
- 409.9
- 417
- 500-E
- 509
- 559
- 587
- 589
- 807-4
- 807-8
- 829
- 1000
- 1200
- 1200C
- 1208
- 1209
- 1210
- 1212
- 1214
- 1215
- 1216
- 1400
RT Series
RTE Series
WE EL Series

Trimmer parts list
- 1. Trigger Switch
- 2. Cord Retainer
- 3. Recessed Plug
- 4. Assist Handle
- 5. Twist and Edge Button
- 6. Motor Housing
- 7. Edge Guide
- 8. Air Vents
- 9. Debris Shields
- 10. Line Limiter Blade
- 11. Trimmer Head with 0.065 inch Trimmer Line
Parts list for Featherlite model
- 1. Drive Shaft 52″
- 2. Throttle Housing. (left)
- 3. Throttle Housing. (right)
- 4. Handle Assembly.
- 5. Screw-Throttle Housing.
- 6. Throttle Lever
- 7. Drive Shaft Housing Assembly.
- 8. Blot
- 9. Clamp
- 10. Wing-nut
- 11. Hex Wrench 5/32
- 12. Shaft Warning Decal
- 13. Shield Kit Assembly (Metal Shield)
- 14. Screw-Line Limiter
- 15. Line Limiter
- 16. Locknut-Line Limiter
- 17. Screw-Gear Box
- 18. Lockwasher-Gear Box
- 19. Screw-Gear Box/Shield
- 20. Gear Box Assembly
- 21. Dust Cup
- 22. Grass Washer
- 23. Hub Assembly
- 24. Spring
- 25. Release Button
- 26. Spool with Line
- 27. Cover
- 28. Cutting Head Assembly
- 29. Shield Kit Assembly (Plastic Shield)
- 30. Line Limiter
- 31. Screw
- 32. Bolt
- 33. Wing Nut
- Operator Manual
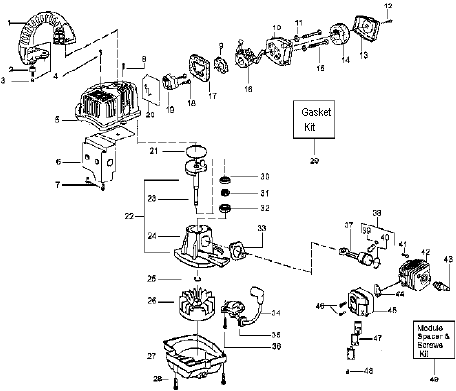
FL1500LE Gas Blower Parts Assembly
Type 1
1. Screw
2. Handle-Starter
3. Kit-Rope
4. Kit-Starter Pulley (Incl. 1)
5. Spring-Starter
6. Washer
7. Housing-Impeller (Upper)
8. Screw
9. Spacer-Flywheel
10. Assy-Impeller
11. Washer-Flat
12. Lockwasher
13. Nut
14. Assy-Impeller Housing (Lower)
15. Screw
16. Assy-Fuel Cap
17. Screw
18. Kit-Fuel Line
19. Grommet-Fuel Line
20. Assy-Fuel Tank (Incl. cap, filter, fuel lines)
21. Fuel Pick-up Assembly
22. Tube-Blower
Type 2
1. Handle
2. Isolator-Handle
3. Nut
4. Screw
5. Shroud
6. Shield-Heat
7. Screw
8. Screw
9. Gasket-Carburetor (Kit)
10. Air Box
11. Washer
12. Screw
13. Cover-Air Box
14. Foam-Air Filter
15. Screw
16. Kit-Carburetor Assembly (C1U-W12A)
17. Foam-Air Dam
18. Screw
19. Adaptor-Carburetor
20. Gasket-Cyl/Carburetor Adaptor (Kit)
21. Gasket-Crankcase/Shroud (Kit)
22. Assy.-Crankcase & Crankshaft (Incl. 23,24,25)
23. Assy.-Crankshaft
24. Assy.-Crankcase (Incl. 30-32)
25. Retainer Ring (Crankshaft)
26. Assy.-Flywheel
27. Fan Housing
28. Screw
29. Kit-Gasket (incl. 9,20,21,33)
30. Inner Bearing
31. Kit-Crankcase Seal
32. Bearing-Outer
33. Gasket-Cylinder (Kit)
34. Ignition Module
35. Grommet-Ignition Module
36. Screw
37. Kit-Connecting Rod Assembly.
38. Kit-Piston (Incl. 39 & 40)
39. Wrist Pin Retainer
40. Piston Ring
41. Screw
42. Cylinder
43. Spark Plug (RCJ-6Y)
44. Gasket-Muffler kit
45. Kit-Muffler (incl. #44,46,47,48)
46. Bolt-Muffler
47. Kit-Spark Arrestor
48. Screw
49. Kit-Module Spacer & Screws
Carburetor Assembly
1. Limiter Cap-Low (tan)
2. Limiter Cap-High (brown)
3. Carburetor Repair Kit (KIT = CONTENTS)
4. Gasket/Diaphragm Kit (DOT=CONTENTS)
Carburetor Assembly (WT-12)
Kit-Carburetor Assy C1U-W12A
Kit-Throttle Lever
Kit-Choke Lever
WARNING!
All repairs, adjustments and maintenance not described in the Operator’s Manual must be performed by qualified service personal.